Product Summary
The 2SA970 is a low noise audio amplifier.
Parametrics
2SA970 absolute maximum ratings: (1)Collector-base voltage VCBO: -120 V; (2)Collector-emitter voltage VCEO: -120 V; (3)Emitter-base voltage VEBO: -5 V; (4)Collector current IC: -100 mA; (5)Base current IB: -20 mA; (6)Collector power dissipation PC: 300 mW; (7)Junction temperature Tj: 125 ℃; (8)Storage temperature range Tstg: -55~125 ℃.
Features
2SA970 features: (1)Low noise : NF = 3dB (typ.) RG = 100Ω, VCE = -6 V, IC = -100μA, f = 1 kHz; NF = 0.5dB (typ.) RG = 1 kΩ VCE = -6 V, IC = -100 μA, f = 1 kHz; (2)High DC current gain: hFE = 200~700; (3)High breakdown voltage: VCEO = -120 V; (4)Low pulse noise; (5)Low 1/f noise.
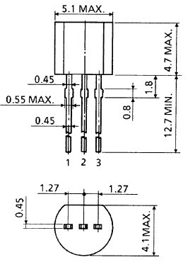
Diagrams

| Image | Part No | Mfg | Description | ![]() |
Pricing (USD) |
Quantity | ||||
|---|---|---|---|---|---|---|---|---|---|---|
![]() |
![]() 2SA970 |
![]() Other |
![]() |
![]() Data Sheet |
![]() Negotiable |
|
||||
| Image | Part No | Mfg | Description | ![]() |
Pricing (USD) |
Quantity | ||||
![]() |
![]() 2SA900 |
![]() Other |
![]() |
![]() Data Sheet |
![]() Negotiable |
|
||||
![]() |
![]() 2SA907 |
![]() Other |
![]() |
![]() Data Sheet |
![]() Negotiable |
|
||||
![]() |
![]() 2SA908 |
![]() Other |
![]() |
![]() Data Sheet |
![]() Negotiable |
|
||||
![]() |
![]() 2SA909 |
![]() Other |
![]() |
![]() Data Sheet |
![]() Negotiable |
|
||||
![]() |
![]() 2SA913 |
![]() Other |
![]() |
![]() Data Sheet |
![]() Negotiable |
|
||||
![]() |
![]() 2SA913A |
![]() Other |
![]() |
![]() Data Sheet |
![]() Negotiable |
|
||||
(China (Mainland))









