Product Summary
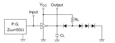
The HD74LS14P is a Hex Schmitt Trigger Inverter.
Parametrics
HD74LS14P absolute maximum ratings: (1)Input voltage VIN: 7 V; (2)Supply voltage VCC: 7 V; (3)Power dissipation PT: 400 mW; (4)Storage temperature Tstg: –65 to +150 ℃.
Features
HD74LS14P Operating Conditions: (1)Supply voltage VCC: 4.75 to 5.25 V; (2)IOH: –400 μA; (3)Output current IOL: 8 mA; (4)Operating temperature Topr: –20 to 75 ℃.
Diagrams

![]() |
![]() HD7425FPA |
![]() Other |
![]() |
![]() Data Sheet |
![]() Negotiable |
|
||||
![]() |
![]() HD74AC |
![]() Other |
![]() |
![]() Data Sheet |
![]() Negotiable |
|
||||
![]() |
![]() HD74AC00 |
![]() Other |
![]() |
![]() Data Sheet |
![]() Negotiable |
|
||||
![]() |
![]() HD74AC02 |
![]() Other |
![]() |
![]() Data Sheet |
![]() Negotiable |
|
||||
![]() |
![]() HD74AC04 |
![]() Other |
![]() |
![]() Data Sheet |
![]() Negotiable |
|
||||
![]() |
![]() HD74AC04FP-EL |
![]() Other |
![]() |
![]() Data Sheet |
![]() Negotiable |
|
||||
(China (Mainland))








