Product Summary
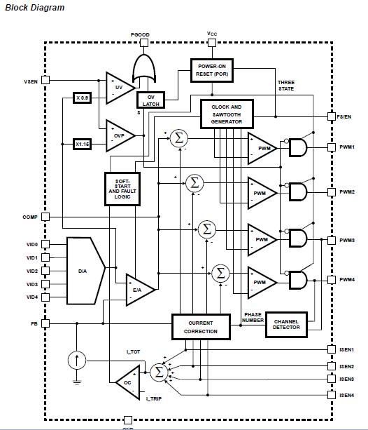
The HIP6301CB is a multi-phase PWM control IC together with its companion gate drivers. The HIP6301CB provides a precision voltage regulation system for advanced microprocessors. Outstanding features of the HIP6301CB include programmable VID codes from the microprocessor that range from 1.100V to 1.850V with a system accuracy of ±1%.
Parametrics
HIP6301CB absolute maximum ratings: (1)Supply Voltage, VCC: +7V; (2)Input, Output, or I/O Voltage: GND -0.3V to VCC + 0.3V; (3)ESD Classification: 1.5KV.
Features
HIP6301CB features: (1)Multi-Phase Power Conversion; (2)Precision Channel Current Sharing: Loss Less Current Sampling - Uses rDS(ON); (3)Precision CORE Voltage Regulation: ±1% System Accuracy Over Temperature; (4)Microprocessor Voltage Identification Input: 5-Bit VID Input, 1.100V to 1.850V in 25mV Steps, Programmable "Droop" Voltage; (5)Fast Transient Recovery Time; (6)Over Current Protection; (7)Automatic Selection of 2, 3, or 4 Phase Operation.
Diagrams

| Image | Part No | Mfg | Description | ![]() |
Pricing (USD) |
Quantity | ||||||||
|---|---|---|---|---|---|---|---|---|---|---|---|---|---|---|
![]() |
![]() HIP6301CB |
![]() |
![]() IC REG CTRLR BUCK PWM 20-SOIC |
![]() Data Sheet |
![]() Negotiable |
|
||||||||
![]() |
![]() HIP6301CB-T |
![]() Intersil |
![]() Switching Converters, Regulators & Controllers MPU CORE Volt Reg |
![]() Data Sheet |
![]() Negotiable |
|
||||||||
![]() |
![]() HIP6301CBZ-T |
![]() Intersil |
![]() Current Mode PWM Controllers FLEXIBLE 2-4 PHS SYNCH BUCK CNTRLR |
![]() Data Sheet |
![]()
|
|
||||||||
![]() |
![]() HIP6301CBZ |
![]() Intersil |
![]() Current Mode PWM Controllers FLEXIBLE 2-4 PHS SYNCH BUCK CNTRLR |
![]() Data Sheet |
![]()
|
|
||||||||
(China (Mainland))










