Product Summary
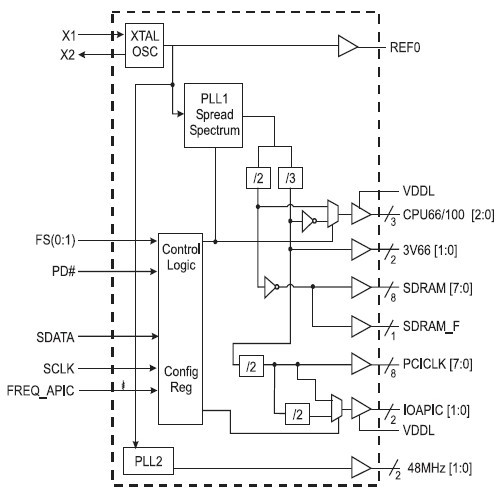
The ICS9250CF-10 is a single chip clock for Intel Pentium II. The ICS9250CF-10 provides all necessary clock signals for such a system. Spread spectrum may be enabled through I2C programming. Spread spectrum typically reduces EMI by 8dB to 10 dB. This simplifies EMI qualification without resorting to board design iterations or costly shielding. The ICS9250-10 employs a proprietary closed loop design, which tightly controls the percentage of spreading over process and temperature variations.
Parametrics
ICS9250CF-10 absolute maximum ratings: (1)Core Supply Voltage: 4.6 V; (2)I/O Supply Voltage: 3.6V; (3)Logic Inputs: GND -0.5 V to VDD +0.5 V; (4)Ambient Operating Temperature: 0℃ to +70℃; (5)Storage Temperature: -65℃ to +150℃.
Features
ICS9250CF-10 features: (1)3 CPU (2.5V) 66.6/100 MHz (up to 133MHz through I2C selection); (2)9 SDRAM (3.3V) up to 133MHz; (3)8 PCI (3.3 V) @33.3MHz; (4)Supports spread spectrum modulation, down spread 0 to -0.5%; (5)I2C support for power management; (6)Efficient power management scheme through PD#; (7)Uses external 14.138 MHz crystal.
Diagrams

| Image | Part No | Mfg | Description | ![]() |
Pricing (USD) |
Quantity | ||||||
|---|---|---|---|---|---|---|---|---|---|---|---|---|
![]() |
![]() ICS9250CF-10 |
![]() |
![]() IC FREQ TIMING GENERATOR 56-SSOP |
![]() Data Sheet |
![]()
|
|
||||||
![]() |
![]() ICS9250CF-10LF |
![]() |
![]() IC FREQ TIMING GENERATOR 56-SSOP |
![]() Data Sheet |
![]()
|
|
||||||
![]() ICS9250CF-10LFT |
![]() |
![]() IC TIMING GENERATOR 56-SSOP |
![]() Data Sheet |
![]() Negotiable |
|
|||||||
![]() |
![]() ICS9250CF-10T |
![]() |
![]() IC FREQ TIMING GENERATOR 56-SSOP |
![]() Data Sheet |
![]()
|
|
||||||
(China (Mainland))









